Click here to make tpub.com your Home Page

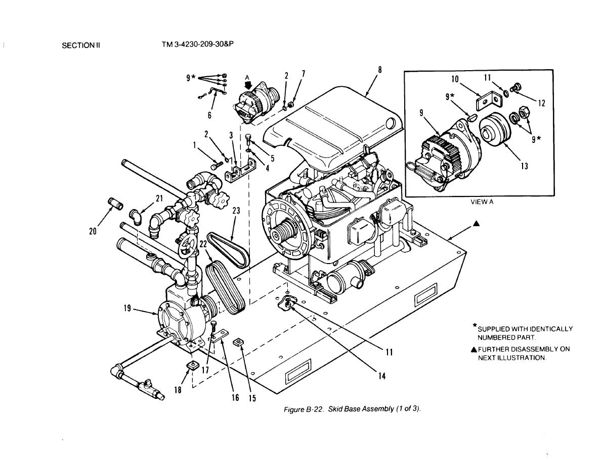
Page Title: FIGURE B-22 SKID BASE ASSEMBLY (1 OF 3)
Back | Up | Next

Click here for thousands of PDF manuals

Google


Web
www.tpub.com

Home


   
Information Categories
.... Administration
Advancement
Aerographer
Automotive
Aviation
Construction
Diving
Draftsman
Engineering
Electronics
Food and Cooking
Logistics
Math
Medical
Music
Nuclear Fundamentals
Photography
Religion
   
   

 


Privacy Statement - Press Release - Copyright Information. - Contact Us

Integrated Publishing, Inc. - A (SDVOSB) Service Disabled Veteran Owned Small Business